产品中心

PRODUCT

产品中心

JWM螺旋丝杆升降机

如果您有任何问题可以联系我们!
联系我们

电话:13918122737

扫一扫,加我为朋友
  • 详细信息
详细信息

 一、JWM系列蜗轮丝杆升降机应用:

     JWM系列蜗轮丝杆升降机广泛应用于机械、冶金、建筑、水利设备等行业,具有起升、下降及借助辅件推进、翻转及各种高度位置调整等诸多功能。

二、JWM系列蜗轮丝杆升降机概况: 
    1.JWM蜗轮丝杆升降机是一种基础起重部件;
    2.具有结构紧凑、体积小、重量轻、动力源广泛、无噪音、安装方便、使用灵活、功能多、配套形式多、可靠性高、使用寿命长等许多优点。
    3.可以单台或组合使用,能按一定程序准确地控制调整提升或推进的高度,可以用电动机或其它动力直接带动,也可以手动。
     4.它有不同的结构形式和装配形式,且提升高度可按用户的要求定制。

三、JWM系列螺旋升降机特点:   
    1、 JWM型(梯形丝杆型)适用于低速、低频率的场合, 主要构成部件为:精密梯形丝杆副与高精度蜗轮蜗杆副。
    2、 价格经济、结构紧凑、操作简单、保养方便。
    3、 低速、低频率:主要用于大负荷、低速与无需频繁 工作的场所。
    4、保持载重:梯形丝杆具有自动锁定功能,既使没有制动装置也可保持载重。
 
注:在受到较大振动,冲击载荷时,可能会使自锁功能失效,此时请外加制动装置。

四、JWM系列蜗轮丝杆升降机型号标注

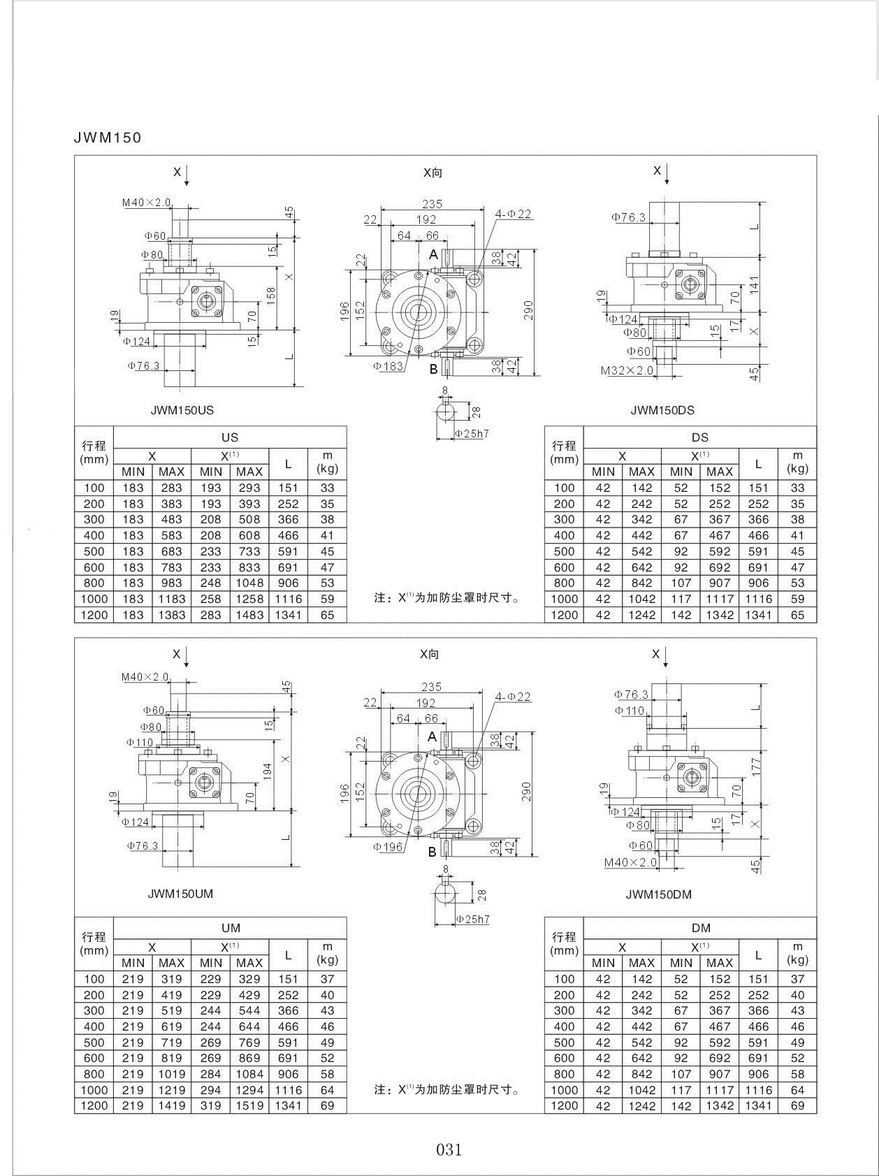
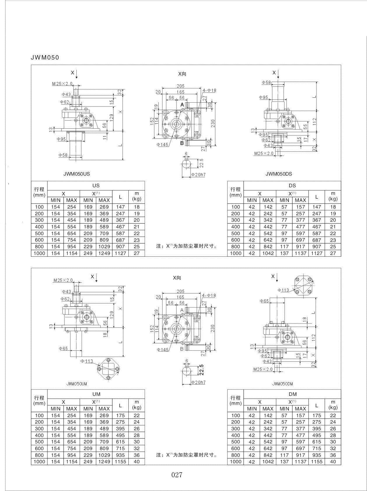
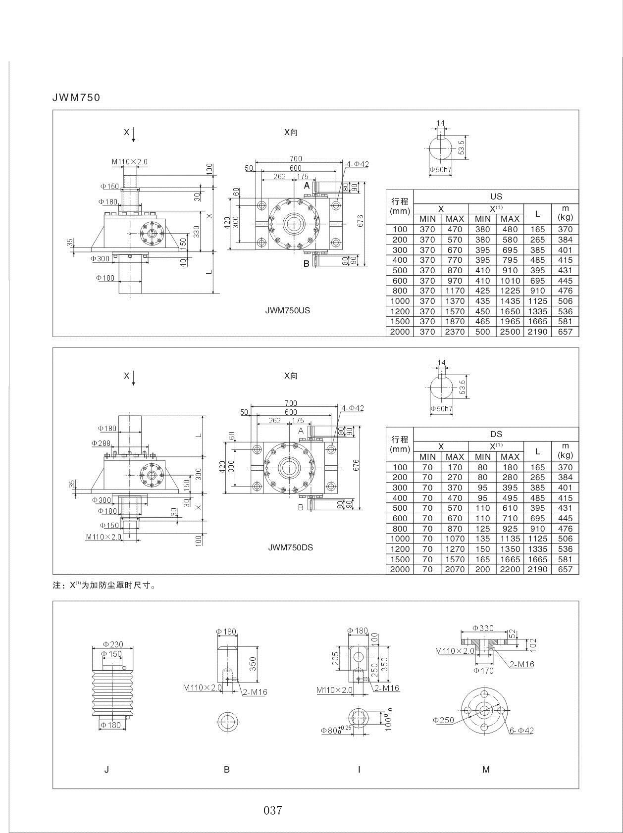
JWM蜗轮丝杆升降机具体尺寸如下:

 

 

相关产品
联系我们
扫一扫,加我为朋友
© 上海冼星重工机械制造有限公司   沪ICP备12049083号   XML   网站地图   网站制作维护:秦汉网络  

在线
QQ

点击这里给我发消息 83328760
在线QQ

微信
咨询

扫一扫,加我为朋友
扫一扫,加我为朋友

服务
热线

13918122737
服务热线

客服
邮箱

xianxingzg@163.com
客服邮箱